Ридан 087H3805R — Контроллер ECL-3R 331 FC, напряжение питания 24V AC/DC
Заявка на покупку или консультацию
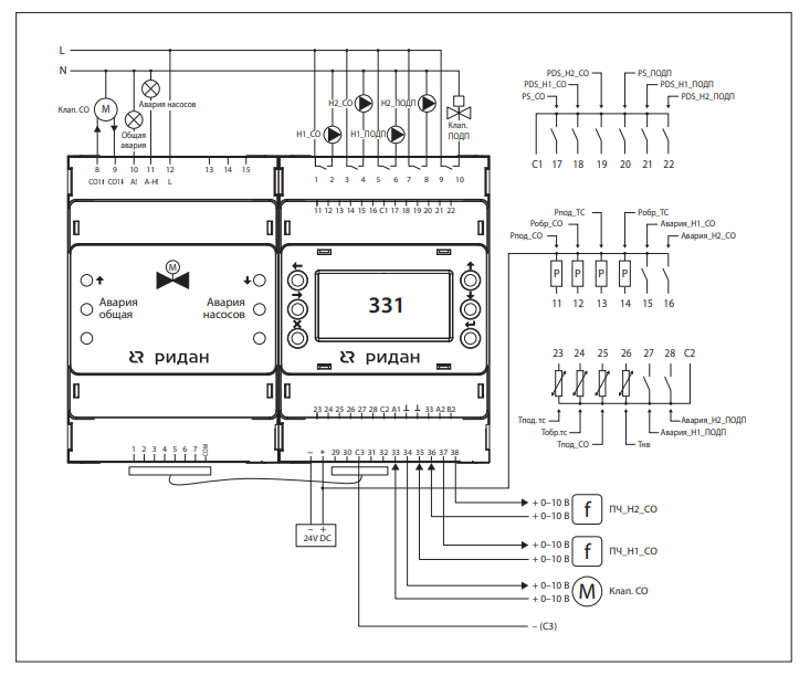
×Описание
Линейка контроллеров ECL-3R разработана для эффективного и стабильного управления инженерными системами индивидуальных тепловых пунктов. Данные устройства обеспечивают полный функционал: от точной регулировки насосного оборудования до автоматической подпитки системы.
Ключевая особенность ECL-3R — использование жесткой логики управления, которая обеспечивает стабильность и предсказуемость работы. В отличие от программируемых решений, контроллеры не требуют настройки через сложное ПО. Это значительно упрощает ввод в эксплуатацию, настройку и обслуживание, снижая зависимость от узкопрофильных специалистов.
Диспетчеризация с Cloud Control
Характеристики
Напряжение питания, В
24V DC
IP
31
Масса нетто, кг
0.3
Температура окружающей среды (режим работы)
+7…+55
RTC - часы реального времени
Резервное питание от встроенного аккумулятора не менее 28 дней
EAN13 (Single-pack)
4620003281976
RS-485
2 шт
Дисплей и клавиатура
Монохромный Жки 192*64 точки с подсветкой, 6 кнопок
Диапазон допустимого напряжения
18-36
Температура окружающей среды (хранение/транспортировка), °C
-20…+60
Потребляемая мощность, ВА
5
Документация
Документация
Паспорт
Руководство
Сертификат
Инструкция
Покупатели, которые приобрели Ридан 087H3805R — Контроллер ECL-3R 331 FC, напряжение питания 24V AC/DC, также купили
Популярные товары
Ридан 148H3362R — Корпус регулятора температуры масла ORV DN 80, PN 52, присоединение к трубопроводу — под сварку встык DIN104 307,83 ₽
Ридан 141R8621 — Компрессор спиральный RCM51E4LB7CA, индивидуальная упаковка, хладагент R404A, номинальное напряжение 380-420 В / 3 фазы / 50 Гц & 460 В /3 фазы / 60 Гц93 436,11 ₽
Ридан BVR-CR 065B8302RG — Кран шаровой ГОСТ59553-2021 c наружной резьбой и насадкой под шланг PN10 DN25; Т -20 ℃ ...+95 ℃; материал корпуса латунь4 608,05 ₽Помощь
+7 (499) 213-00-69
Отдел продаж
Если у вас возникли вопросы при оформлении заказа, подбору оборудования или сервисному обслуживанию, обратитесь по указанным контактам.




















